|
公司基本資料信息
|
|||||||||||||||||||||||||||
| 型號 | 結構說明 |
| MG1811 | 無上鎖功能 |
| MG1813 | 有上鎖功能(室內旋鈕開關鎖,室外硬幣開關鎖) |
| MG1814 | 配置全銅鎖芯(室內旋鈕開關鎖,室外鑰匙開關鎖) |
| 型號 | 顏色分類 |
| MG1811-1 | 鍍鎳 |
| MG1811-2 | 鍍鉻 |
| MG1811-3 | 金色 |
| MG1811-4 | 亞光黑 |
| 客戶指定顏色 |
| 序號 | 名稱 | 序號 | 名稱 |
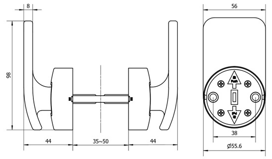
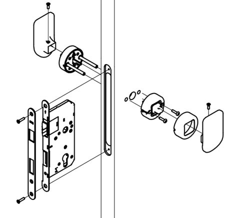
| 1 | 鎖體 | 7 | 外執手 |
| 2 | 鎖體面板 | 8 | 內執手 |
| 3 | 斜舌 | 9 | 執手固定螺絲 |
| 4 | 方舌 | 10 | 面板固定螺絲 |
| 5 | 推拉執手外面板 | 11 | 鎖扣板 |
| 6 | 推拉執手內面板 | 12 | 鎖扣盒 |






安裝說明:
1.確定開門方向,將鎖體放進已開好的孔內,斜舌在上,方舌在下,斜舌的斜面對準關門的方向(如果斜面方向錯誤,可以將斜舌從鎖體內拔出,旋轉180°插入鎖體),然后裝上鎖體面板收緊螺絲。
2.內開門:外推內拉。推拉面板安裝完畢后,安裝執手(固定螺絲孔朝上),收緊螺絲。
外開門:內推外拉。推拉面板安裝完畢后,安裝執手(固定螺絲孔朝上),收緊螺絲。
安裝推拉面板時請注意:推面板推的箭頭向上拉面板拉的箭頭向上。
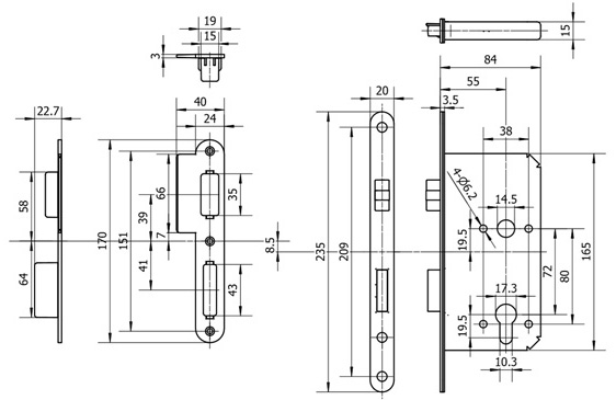
3. 在門框對應的位置上安裝鎖扣板(確認好開門的方向后,將扣板盒安裝在扣板上),并使鎖舌和方舌均能自由伸縮(注:鎖扣板和鎖體的中心線偏至8.5毫米)。
4. 安裝后測試:
推拉執手,用手將斜舌向斜舌斜面方向按壓,斜舌可以自由翻倒,并且可以順暢按于鎖體內,并會順暢彈出。不推拉執手時,按壓斜舌,不能出現翻轉現象。斜舌開啟均靈活,此時鎖體安裝完畢;若開啟不靈活,應重新調定各部件。

歡迎訪問現代鎖業營銷傳媒,鎖貿通將全面助力現代鎖具廠商買賣鎖具、品牌提升、網絡營銷、招商推廣、安裝售后!
現代鎖業聯盟 Q群號:81795458??關注本站微信號:suomaotong有好禮!
備案號:蜀ICP備15034924號-2 成都鎖貿通電子商務有限公司旗下網站![]()
2005-2023 16618.cn版權所有
