| 型號 | 結構說明 |
| MG2811 | 無上鎖功能 |
| MG2812 | 具有顯示開關狀態的功能(室內旋鈕開關鎖,室外硬幣開關鎖,開鎖時室外窗口顯示為藍色或綠色,關鎖時室外窗口顯示為紅色) |
| MG2813 | 有上鎖功能(室內旋鈕開關鎖,室外硬幣開關鎖) |
| MG2814 | 配置全銅鎖芯(室內旋鈕開關鎖,室外鑰匙開關鎖) |
| 型號 | 顏色分類 |
| MG2812-1 | 鍍鎳 |
| MG2812-2 | 鍍鉻 |
| MG2812-3 | 金色 |
| MG2812-4 | 亞光黑 |
| 客戶指定顏色 |
| 序號 | 名稱 | 序號 | 名稱 |
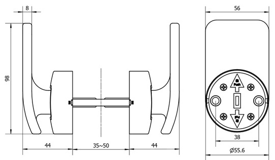
| 1 | 鎖體 | 7 | 內執手 |
| 2 | 鎖體面板 | 8 | 執手固定螺絲 |
| 3 | 斜舌 | 9 | 面板固定螺絲 |
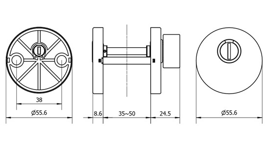
| 4 | 推拉執手外面板 | 10 | 旋鈕鎖芯外面板 |
| 5 | 推拉執手內面板 | 11 | 旋鈕鎖芯內面板 |
| 6 | 外執手 | 12 | 鎖扣板 |







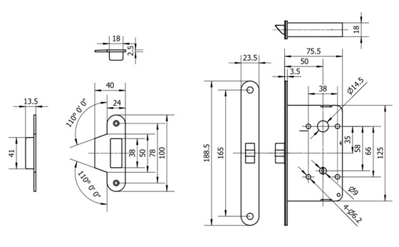
安裝說明:
1.確定開門方向,將鎖體(箭頭向上)放進已開好的孔內,斜舌的斜面對準關門的方向(如果斜面方向錯誤,可以將斜舌從鎖體內拔出,旋轉180°插入鎖體),然后裝上鎖體面板收緊螺絲。
2.內開門:外推內拉。推拉面板安裝完畢后,安裝執手(固定螺絲孔朝上),收緊螺絲。
外開門:內推外拉。推拉面板安裝完畢后,安裝執手(固定螺絲孔朝上),收緊螺絲。
安裝推拉面板時請注意:推面板推的箭頭向上,拉面板拉的箭頭向上。
3.安裝旋鈕鎖芯面板。將裝有扁條的內面板穿過鎖體扁孔連接外面板,收緊螺絲。
4.在門框對應的位置上安裝鎖扣板,并使斜舌均能自由伸縮。
5.安裝后測試:
(1)旋鈕處于豎直方向,有顯示窗口的,窗口顯示綠色,推拉執手,用手將斜舌向斜舌斜面方向按壓,斜舌可以自由翻倒,并且可以順暢按于鎖體內,并會順暢彈出。不推拉執手時,按壓斜舌,不能出現翻轉現象。
(2)旋鈕處于橫直方向,窗口顯示紅色,為上鎖狀態,此時無論是否推拉執手,按壓鎖舌,不能出現翻轉現象。
(3)斜舌開啟均靈活,此時鎖體安裝完畢;若開啟不靈活,應重新調定各部件。






