|
公司基本資料信息
|
|||||||||||||||||||||||||||

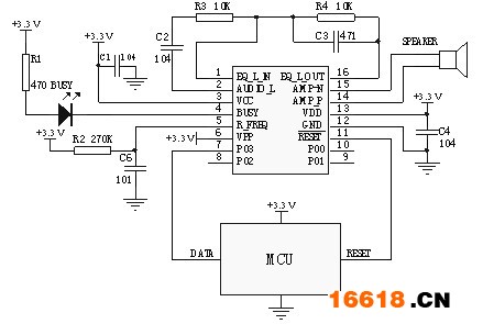
串口控制模式下:單片機跟語音芯片的工作電壓均為3.3V,原理圖如下:

B方案8腳OTP方案WTN5系列:
WTN5系列是8腳的OTP語音芯片,體積更小,現有WTN5055、WTN5025、WTN5085三種芯片,(語音長度分別為55s、25s、85s), WTN5055、WTN5085已投入市場,即將推出WTN5025、。音頻采樣率最高可達44.1kHz,16級音量控制,兩種音頻輸出方式.PWM輸出和DAC輸出。精準的+/-1%內部震蕩,不需要加外部震蕩,具備超低功耗待機。
(1) 工作電壓:2.2V~5.5V;(需根據供電電壓設定芯片為3V或5V,后續有詳解)
(2) 待機模式下,靜態電流小于1uA
(3) 精準的+/-1%內部震蕩,還提供外部震蕩便于調速有低壓復位(LVR=1.8V)看門狗計時、I/O復位功能
(4) PWM純音頻輸出,可直接驅動喇叭和蜂鳴器,DAC音頻輸出,可外接功放
(5) 內置看門狗;
(6) 具備串口控制模式:一線串口,兩線串口(最多可以加載255段語音, 后續有詳解)
(7) 支持BUSY狀態輸出功能
選型注意:
1. 芯片的供電電壓、控制方式和輸出方式在燒寫程序時已經設定好,不可以再次更改,訂做芯片時需要和業務員說明應用要求。
2. 使用串口控制方式時,最多可以加載254段語音,如要使用音量調節指令EO~EFH則相應的減少16段語音。
芯片電壓的設定決定了內部LDO的打開和關閉。注意芯片電壓設定需和供電電壓及電路接線必須匹配,否則會導致芯片損壞或不工作
C方案8腳OTP方案WTN4:
該系列芯片包括WTN4045、WTN4065、WTN4105(6KHz 采樣時語音長度分別為45s、65s、105s)等語音芯片。WTN4 為多功能單芯片CMOS 語音合成4 位元為控制器。提供一通道的語音輸出,有一組高音質的PWM 來直推喇叭。語音合成方式采用高音質ADPCM 演算法,音頻采樣率最高可達44.1KHz 。精準的+/-1%內部震蕩,不需要加外部震蕩,具備超低功耗待機。
(1) 工作電壓:2.2V~5.5V;(需根據供電電壓設定芯片為3.3V或5V,后續有詳解)。
(2) 具有待機模式,可節省功耗,靜態電流小于1uA。
(3) PWM純音頻輸出,可直接驅動喇叭和蜂鳴器。
(4) 高音質ADPCM語音合成演算法,可以經由簡單的調整采樣位數來提升音質。
(5) 精準的+/-1%內部震蕩,內置低壓復位(LVR=1.8V)和看門狗,支持BUSY狀態輸出功能。
(6) 具備一線串口控制模式,兩線串口控制模式;數脈沖控制模式。
選型注意:
芯片的供電電壓、控制方式,在寫程序時已經設定好,不可以再次更改,訂做芯片時需要和業務員說明應用要求。芯片電壓的設定決定了內部LDO 的打開和關閉。注意芯片電壓設定需和供電電壓及電路接線必須匹配,否則會導致芯片損壞或不工作
D方案WT588D可重復擦除語音方案:

備注:控制方式有:一線串口.三線串口.按鍵…等.可根據客戶定制.
更多方案可咨詢:

歡迎訪問現代鎖業營銷傳媒,鎖貿通將全面助力現代鎖具廠商買賣鎖具、品牌提升、網絡營銷、招商推廣、安裝售后!
現代鎖業聯盟 Q群號:81795458??關注本站微信號:suomaotong有好禮!
備案號:蜀ICP備15034924號-2 成都鎖貿通電子商務有限公司旗下網站![]()
2005-2023 16618.cn版權所有
